-
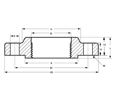
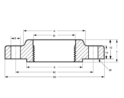
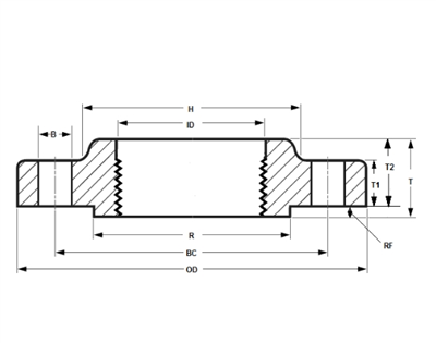
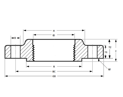
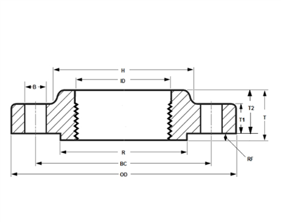
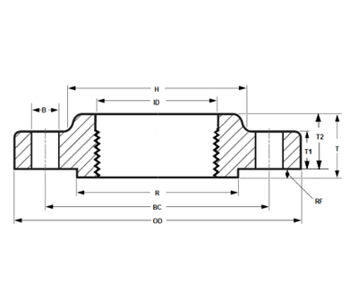
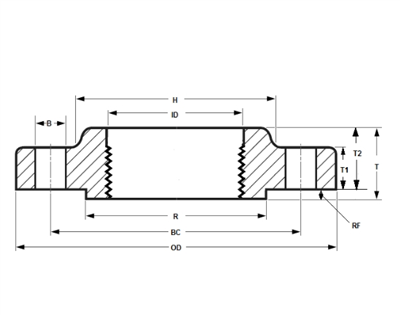
Mar 12, 2024فلنج رشته ای ASME B16.5 کلاس 2500 اینچTHREADED CLASS 2500 ابعاد فلنج رزوه ای کلاس 2500 اینچ (ASME B16.5) برای فلنج های رزوه ای ASME B16.5، ابعاد می تواند بر اساس اندازه اسمی لوله (NPS) و کلاس فشار متفاوت باشد. در اینجا -
Mar 12, 2024فلنج نخی ASME B16.5 کلاس 1500 اینچTHREADED CLASS 1500 ابعاد فلنج رزوه ای کلاس 1500 اینچ (ASME B16.5) برای فلنج های رزوه ای ASME B16.5، ابعاد می تواند بر اساس اندازه اسمی لوله (NPS) و کلاس فشار متفاوت باشد. در اینجا -
Mar 12, 2024فلنج رزوه ای ASME B16.5 کلاس 900 اینچTHREADED CLASS 900 ابعاد فلنج رزوه ای کلاس 900 اینچ (ASME B16.5) فلنج های رزوه ای کلاس 900: اندازه لوله اسمی (NPS): محدوده از 1/2 اینچ (DN 15) تا 24 اینچ (DN 600) و بزرگتر. قطر بیر -
Mar 12, 2024فلنج نخی ASME B16.5 کلاس 600 اینچTHREADED CLASS 600 ابعاد فلنج رشته ای کلاس 600 اینچ (ASME B16.5) برای فلنج های رزوه ای ASME B16.5 در کلاس 600، ابعاد می تواند بر اساس اندازه اسمی لوله (NPS) فلنج متفاوت باشد. در ای -
Mar 12, 2024ابعاد فلنج گردن جوشکاری کلاس 2500در اینجا ابعاد تقریبی فلنج گردن جوش کلاس 2500 مطابق با استانداردهای ASME B16.5، به اینچ آمده است: اندازه لوله اسمی (NPS): محدوده از 1/2 اینچ (DN 15) تا 24 اینچ (DN 600) و بزرگتر. ق -
Mar 12, 2024ابعاد فلنج گردن جوشکاری کلاس 1500در اینجا ابعاد تقریبی فلنج گردن جوش کلاس 1500 مطابق با استانداردهای ASME B16.5، به اینچ آمده است: اندازه لوله اسمی (NPS): محدوده از 1/2 اینچ (DN 15) تا 24 اینچ (DN 600) و بزرگتر. ق -
Mar 12, 2024ابعاد فلنج گردن جوشکاری کلاس 900ابعاد فلنج گردن جوشکاری کلاس 900 مطابق با استانداردهای ASME B16.5 است و بر اساس اندازه اسمی لوله (NPS) فلنج متفاوت است. در اینجا ابعاد کلی فلنج گردن جوشکاری کلاس 900 برای اندازه ها -
Mar 12, 2024ابعاد فلنج گردن جوشکاری کلاس 600ابعاد فلنج گردن جوشکاری کلاس 600 مطابق با استانداردهای ASME B16.5 بر اساس اندازه اسمی لوله (NPS) فلنج متفاوت است. در زیر ابعاد کلی فلنج گردن جوشکاری کلاس 600 برای اندازه های رایج آ -
Mar 12, 2024ابعاد فلنج گردن جوشکاری کلاس 400ابعاد فلنج گردن جوش کلاس 400 از استاندارد ASME B16.5 پیروی می کند و مانند سایر کلاس های فشار، ابعاد بسته به اندازه لوله اسمی (NPS) فلنج متفاوت خواهد بود. در اینجا ابعاد کلی فلنج گر








